LC-1000-10

CADデータ
下記よりダウンロードください。
仕様
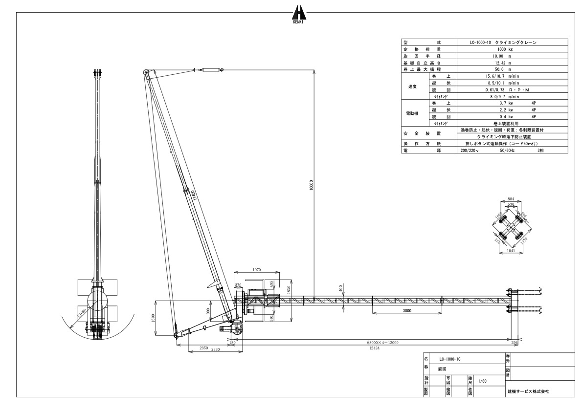
| 形式 | LC-1000-10 クライミングクレーン |
| 使用電源区分 | 標準 / 50Hz専用 |
| 定格荷重 | 1000kg |
| 旋回半径 | 10.00m |
| 基礎自立高さ | 12.42m(max) |
| 巻上最大揚程 | 50.0m |
| 巻上速度 | 標準:15.6/18.8m/min 50Hz専用:19.4m/min |
| 起伏速度 | 標準:7.7/9.2m/min 50Hz専用:8.7m/min |
| 旋回速度 | 標準:0.61/0.73rpm 50Hz専用:0.61rpm |
| クライミング速度 | 標準:7.8/9.4m/min 50Hz専用:9.7m/min |
| 電動機巻上 | 3.7kW 4P |
| 電動機起伏 | 2.2kW 4P |
| 電動機旋回 | 0.4kW 4P |
| 電動機クライミング | 巻上装置利用 |
| 安全装置 | 過巻防止、超伏、旋回、荷重:各制限装置付 クライミング時落下防止装置 |
| 操作方法 | 押しボタン式遠隔操作(コード50m付) |
| 電源 | 標準:200/220V 50/60Hz 3φ 50Hz専用:200V 50Hz 3φ |
