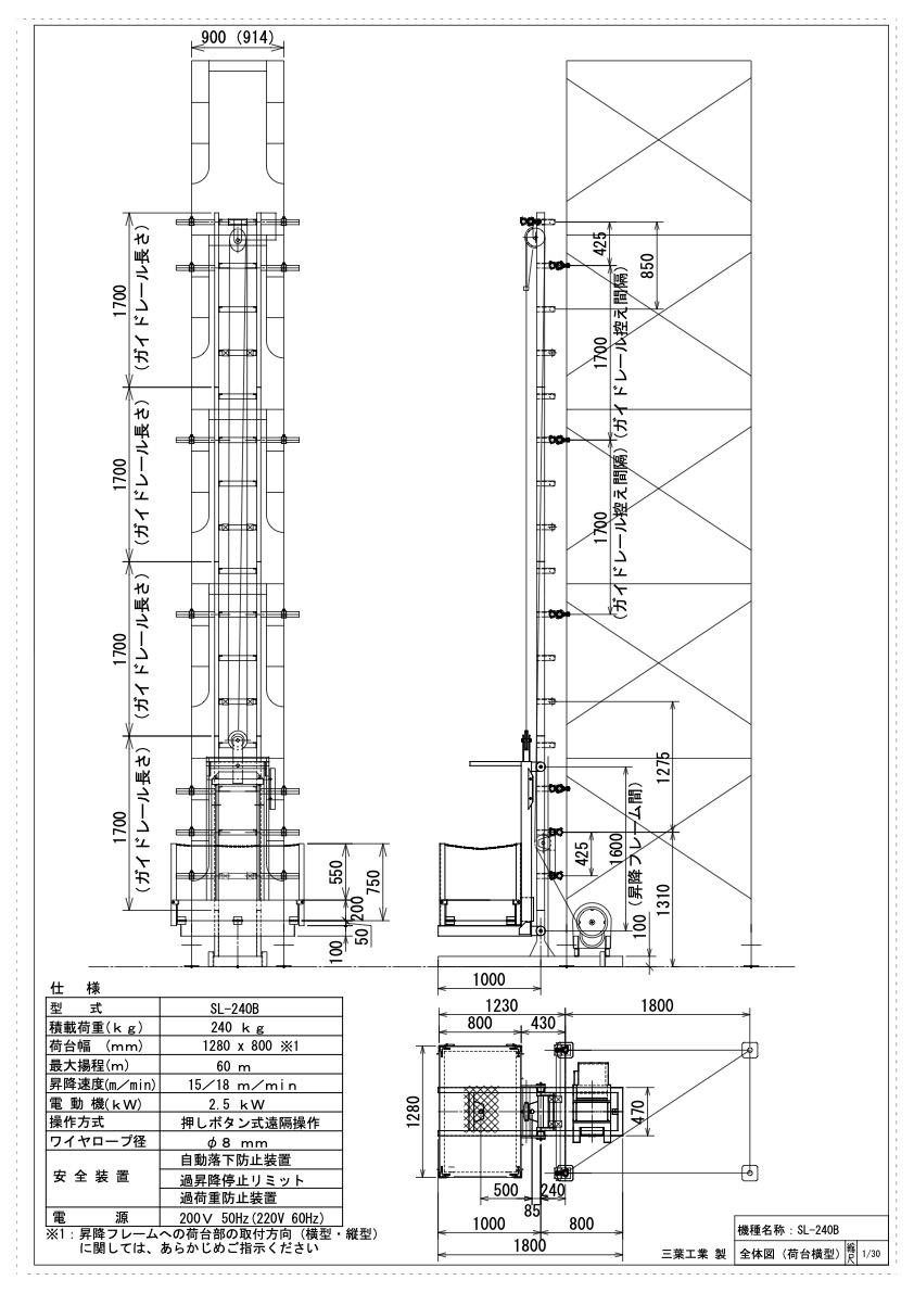
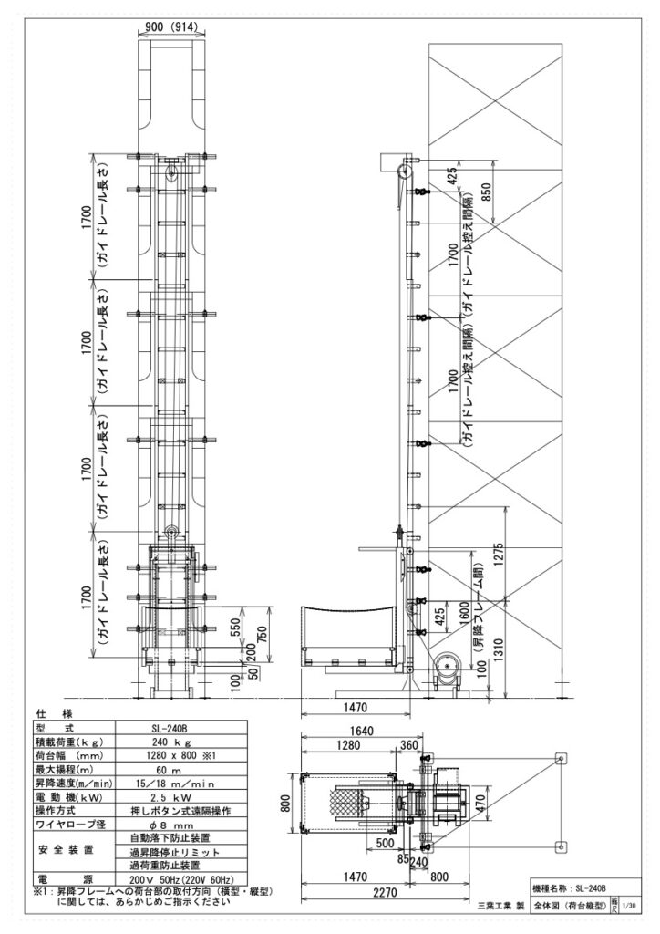
建設用リフトSL-240B CADデータ 下記よりダウンロードください。 ZIPファイル形式(JWW形式とDXF形式) 建設用リフト 種類サンリフト商品NoNo.1能力積載荷重 0.24t揚程 60m機種SL-240Bメーカー三葉保有台数74台取扱(営)東京・大阪